光敏传感器

插件型热释电红外传感器

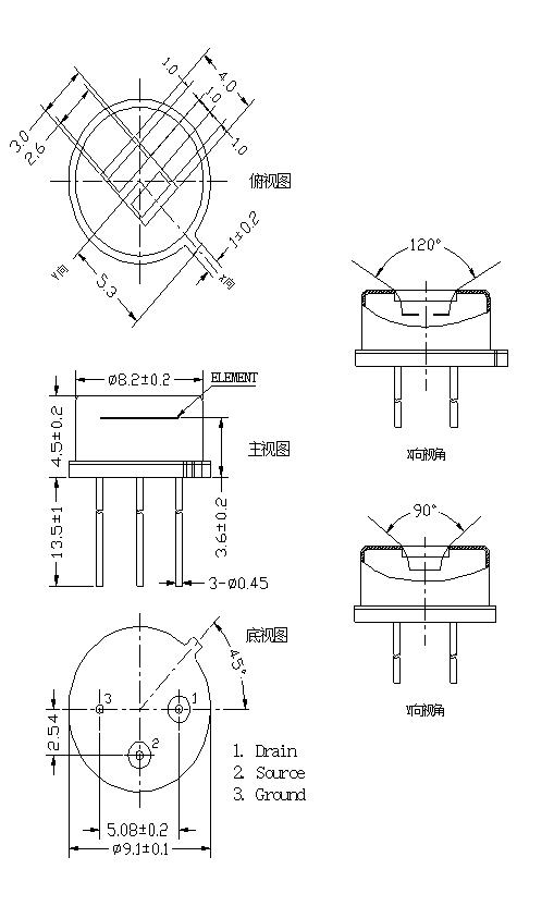
插件型热释电红外传感器
产品型号:TM-D203BPT-E
产品应用:高端数码应用、电子产品应用、家用电器应用、信号指示应用、仪器仪表应用、工业照明应用。
广泛应用于数码产品,家用电器,消费类电子产品,LCD背光,汽车电子,仪器仪表,工业设备,电子玩具。显示屏,户外装饰,工业照明等。热释电红外线传感器是利用材料自发极化随温度变化的特征来探测红外线辐射的传感器,采用双灵敏元设计,抑制环境温度变化产生的干扰,提高了传感器的工作稳定性。
产品型号:TM-D203BPT-E
产品应用:高端数码应用、电子产品应用、家用电器应用、信号指示应用、仪器仪表应用、工业照明应用。
广泛应用于数码产品,家用电器,消费类电子产品,LCD背光,汽车电子,仪器仪表,工业设备,电子玩具。显示屏,户外装饰,工业照明等。热释电红外线传感器是利用材料自发极化随温度变化的特征来探测红外线辐射的传感器,采用双灵敏元设计,抑制环境温度变化产生的干扰,提高了传感器的工作稳定性。
联系im电竞
插件型热释电红外传感器 立即咨询
首页/产品/红外线|光敏系列/光敏器件/光敏传感器/光敏传感器
技术规格

1685668975406.jpg




3652623452ef7535366051678caaf0a.jpg
im电竞实业电子目录书_03.png
taiming
taiming
taiming
taiming


LED使用说明书

为了增进您对我公司的产品特性的了解,方便您在使用过程中掌握其使用特性,尽量减少或避免因人为因素造成不必要的产品损坏或者性能不匹配。特在此说明。

1. 物料确认

投料的LED BIN 等级是否吻合 在一起使用亮度可能有差异,不同的CIE BIN 在一起使用发光颜色可能会用差异)。

2. 包装储存

开包装前避免湿气进入LED 内部,建议SMD 系列的LED 存放在内置干燥剂的干燥柜中。储存环境温度范围5-30 度,湿度不超过50%。

3. 开包装后的预防措施

开包装后尽可能采取整卷除湿措施,除湿条件:70 度烘烤4-12 小时。

除湿后的材料应该尽快使用完(24 小时内)。余料请密封或放置在10-40 度,湿度不超过30%的环境中。

4. 作业注意事项

本产品最多只可回焊两次,且在首次回焊后须冷却至室温之后方可进行第二次回焊.建议回流焊温度范围在200-240 度。在作业过程中,不能用手直接取材料,手上有汗,汗水对硅胶表面存在光学污染,影响出光。另外硅胶相对柔软,手用力挤压会导致断线造成死灯。

不建议将LED 贴装在弯曲的线路板上。焊接时避免快速冷却,在LED 焊接冷却过程中避免任何形式的机械力或过度震动,焊接后,不要弯曲线路板。在返修或单颗材料作业时,不能用镊子挤压胶体表面,由于硅胶相对较软,用镊子挤压胶体会导致断线,压伤晶片,从而死灯。

在批量作业时,吸嘴小于产品内径会导致吸嘴冲压硅胶,造成金线断裂,晶片受压而死灯。

完成焊接的LED 不宜进行返修作业,如不可避免,采用双头烙铁,但事先要确认返修后是否对LED特性产生破坏。

5. 静电防护

LED 是静电敏感电子原器件,应该采取各种措施避免静电。例如:在使用过程中佩戴静电环。所有的装置设备、仪器应接地。建议在对组装后的LED产品进行测试检查LED 是否收到静电的破坏。

6. 清洁清洗

建议使用异丙醇来清洁LED,如果采用其他溶剂清洗,一定要确保此溶剂不会对环氧、有机硅、硅胶、支架银层等产生影响。不建议使用超声波清洗以免对LED 造成伤害。若不可避免,清洗前请事先进行预测试,以确认是否对LED 造成不良影响或潜在性隐患。

7. 其他注意事项

LED 长期暴露在阳光或偶尔暴露在紫外线下可能导致胶体变黄。

为了确保LED 光电性能,请保持LED 发光区表面清洁,避免手指印或其他异物覆盖。

在设计电路时应预防开关过程中产生逆向电压或过大电流对LED 瞬间冲击。

在使用过程中避免镊子等锋利工具触碰硅胶胶体部分。

应用范围:照明、指示、背光、电器电源等

im电竞企业文化:

提高im电竞职工身体素质  增强企业凝聚力

initpintu_副本.jpg


Copyright © 2020 广东im电竞光电科技有限公司All rights reserved 粤ICP备2022115307号 网站地图 法律申明