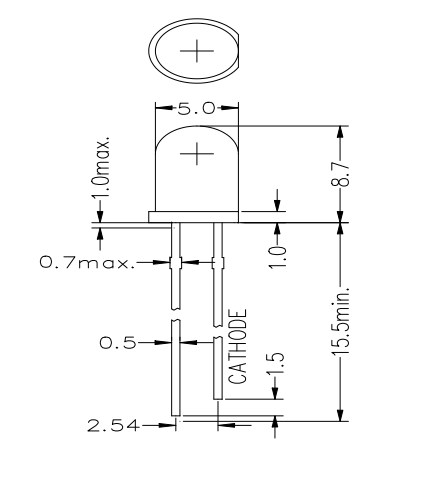
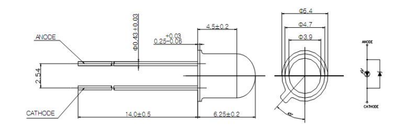
im电竞制程:高亮、高一致性,可微电流启动测试使用。第二焊点加固:适合手工、浸锡炉、波峰焊作业。低电流启动一致性好,颜色光斑均匀,寿命长,耐高温,工作稳定性强。
im电竞光电科技有限公司是专业的机器视觉光源LED光源灯珠生产制造商,在视觉光源LED灯珠方面研发、生产、销售有15年历史及经验,深知视觉光源LED灯珠的特殊高要求,应广大国内视觉光源客户的供货要求及配合速度,im电竞光电(东莞)公司另增两条生产线专注生产视觉光源LED灯珠。
im电竞品质管理体系:im电竞光电科技全套采用ASM顶级自动化封装及检测设备,十万级净化、恒温恒湿、防静电生产车间,并全部采用进口原材料及精细严谨的台湾企业管理模式,im电竞光电严谨执行SGS公司ISO9001:2008品质管理体系认证,奉献“不投入不良、不制造不良、不流出不良”的ITD原则,全程呵护产品品质。















im电竞企业文化:
提高im电竞职工身体素质 增强企业凝聚力
